
インターフェースコンバータ
SI-60
LAN⇔RS-232C(Dsub25)変換
■外観図

| No. | 名称 |
|---|---|
| ① | DTE / DCE 切換スイッチ |
| ② | 電源LED |
| ③ | 信号(通信データ)表示LED |
| ④ | DCジャック |
| ⑤ | LAN コネクタ RJ-45 |
| ⑥ | RS-232C コネクタ (DSUB25ピン メス) |
| ⑦ | MAC アドレスシール |
| ⑧ | ゴム足 |

CADデータ画像です。
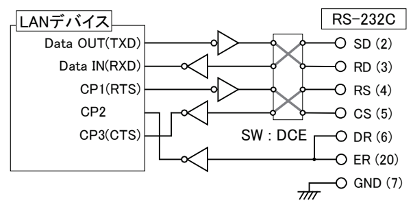
■ブロック図
<スイッチ DTE 側の時>
<スイッチ DCE 側の時 >
RS-232Cコネクタ信号ピン配置
| ピン※1 | 信号名称 | 入出力※2 | |
|---|---|---|---|
| DTE | DCE | ||
| 1 | FG | - | - |
| 2 | SD | Out | In |
| 3 | RD | In | Out |
| 4 | RS (RTS) | Out | In |
| 5 | CS (CTS) | In | Out |
| 6 | DR (DSR) ※3 | In | In |
| 7 | GND | - | - |
| 9 | +DC IN※4 | - | - |
| 20 | ER (DTR) ※3 | In | In |
■RS-232C機器の接続例
付属のCOMポートエミュレーションソフト ( ComPort Redirector™ )使えば、LANネットワーク上のSI-60に接続されたRS-232C機器をパソコンのシリアルポート(COM1~n)に直接接続しているかのように使 用可能。これにより通信プログラムの変更を最小化できます。もちろん、RS-232CシリアルデータをTCP/IPのソケット通信手順でダイレクトに送受 信することも可能です。
■LANケーブルによるRS-232Cの延長
SI-60を2台使用することで、既存のLAN配線を利用してRS-232Cを延長することが可能です。
一方のSI-60をサーバーモード(またはサーバー兼クライアントモード)もう一方のSI-60をクライアントモード(またはサーバー兼クライアントモード)に設定します。
■弊社プロトコルアナライザーとの接続例
弊社のAUX(RS-232C)ポートがある旧プロトコルアナライザーをSI-60/SI-60FでLAN(イーサネット)に接続すれば、装置A-B間の通信データを連続測定しながら、その測定データを離れた事務所のパソコンでリアルタイムに解析できます。
■省スペースの小型設計
小型のため、省スペースで設置可能。据置や底面のM3ネジ穴を利用したネジ止めの他、別売りのDIN取付プレート(SI-DIN70)やDIN縦置き取付プレート(SI-DIN30S)を使っての35mm DINレールに取り付け、壁取付金具(SI-WM1)を使っての前面からのネジ止め固定、固定用マグネット(SI-MG70)によるスチール壁面への吸着固定など設置場所の状況に応じた取り付け方を選べます。
【DINレール取付例】
【壁取付金具使用例】
■2系統の電源入力
電源供給は、付属のACアダプター、またはDSUBコネクタの9ピンから供給できるので、RS-232C機器側からDSUBコネクタを通して電源を供給できれば、場所をとるACアダプタが不要になります。
■複数箇所への設置や保守に便利なツール
複数箇所に同一型番のインターフェースコンバータを設置するときに便利な設定ツール SILANIOinit が用意されています。
本機内のXPortを出荷時の状態に戻す時にも利用できます。
[SILANIOinitの機能]
- ネットワーク上のインターフェースコンバータの検索とそのMACアドレスの表示
- インターフェースコンバータの設定(セットアップレコード)の読み込み保存
- 選択したインターフェースコンバータへ保存されているセットアップレコードの書き込み
- 選択したインターフェースコンバータへのIPアドレスの設定
■無線LANに対応した姉妹機を用意
姉妹機 SI-60FWi は無線LANに対応しています。SI-60 と同様の使い勝手を維持しながら、無線LANの接続が可能です。
無線LAN⇔RS-232C変換 SI-60FWi の詳細はこちら




